• 다크모드
  • 로그인
  • 회원가입
모바일메뉴

소리전자

검색
마이페이지
  • 판매장터
    • 수입오디오
    • 부품
    • 음반
    • 국산오디오
    • 업체전문인
    • 자작품
    • 계측기
    • 라디오
    • 전자종합
    • 벼룩종합
    • 햄무선기
    • 불용자재
    • 교환장터
    • 광고업체
    • 무료나눔
  • 부품판매
    • 트랜스포머
    • 노브(손잡이)
    • 자작부품-1
    • 자작부품-2
    • 자작부품-3
    • 전원용PCB
    • CCS-PCB
    • 키트용PCB
    • 볼륨용 PCB
    • 입력용 PCB
    • 고정가이드
    • 소켓가이드
    • CD로딩용기어
    • 케이블완제품
    • 윤활유클리너
    • 자작공구/은납
    • 딘케이블단자
    • 콘덴서 종류
    • 자작용계측기
    • 앰프케이스
  • 앰프키트
    • 소리전자 키트 종류
    • 소리전자 키트제작서
    • 소리전자 키트배선도
    • 소리전자 키트사용기
  • 주문구입
  • 커뮤니티
    • 자유게시판
    • 질문게시판
    • 가입인사
    • 통합 동호회
    • 자작게시판
    • 나의오디오
    • 플레이리스트
    • 미션관리
    • 공지사항
    • 출석부
  • 동호회
    • 알텍동호회
    • 피셔동호회
    • AR동호회
    • JBL동호회
    • 튜너동호회
    • 빈티지동호회
    • 마란츠동호회
    • 탄노이동호회
    • 도이치동호회
    • 웨스턴동호회
    • 매킨토시동호회
    • 아날로그동호회
    • 멀티앰핑동호회
  • 자료실
    • 웨스턴자료실
    • 전세계회로도
    • 소리전자트랜스규격
    • 부품위탁매물
    • 오디오위탁매물
    • 가격인하매물
자유게시판 질문게시판 가입인사 통합 동호회 자작게시판 나의오디오 플레이리스트 미션관리 공지사항 출석부
  • 커뮤니티
    • 자유게시판
    • 질문게시판
    • 가입인사
    • 통합 동호회
    • 자작게시판
    • 나의오디오
    • 플레이리스트
    • 미션관리
    • 공지사항
    • 출석부
Home 커뮤니티 자작게시판
T기본글꼴
  • 기본글꼴✔
  • 나눔고딕✔
  • 맑은고딕✔
  • 돋움✔
검색 쓰기
  • 전체
  • 부품정보
  • 질문
  • 답변
  • 자작기
  • 기타
  • 긴급질문
  • 추가질문
  • 제작정보
  • List
  • Zine
  • Gallery
공지 자작게시판 공지사항 소리전자 2004.02.17
  1. [자작기] IC 포노 프리앰프 기판 file

    Date2006.09.27 By백훈 Views1649
    Read More
  2. [자작기] 턴테이블과의 연결 file

    Date2006.09.27 By백훈 Views1354
    Read More
  3. [자작기] 6AQ56005엠프 속(내장) file

    Date2006.09.27 By백훈 Views1638
    Read More
  4. [자작기] 6AQ56005엠프 file

    Date2006.09.27 By백훈 Views1699
    Read More
  5. No Image

    [질문] 전원트랜스 송진 몰딩 문의 드립니다

    Date2006.09.24 By전헌무 Views913
    Read More
  6. [자작기] 6550 PP 파워앰프 file

    Date2006.09.24 By정호윤 Views2032
    Read More
  7. No Image

    [부품정보] 낡은 명품에 무늬목으로 새옷을 입혀 보시기 바랍니다

    Date2006.09.21 By양원석 Views1862
    Read More
  8. [자작기] 6BQ5 SE AMP 자작기 file

    Date2006.09.20 By박명성 Views3432
    Read More
  9. [질문] 파라피드 회로에서 의 역할은 file

    Date2006.09.19 By이상필 Views1142
    Read More
  10. [자작기] 파이롯트 램프 불빛이 유난히 아름다운 2A3 앰프 제작하다 file

    Date2006.09.18 By정경화 Views2118
    Read More
  11. No Image

    [질문] [질문] 케이스 제작 노하우좀 알려주세요~

    Date2006.09.18 By오희주 Views1300
    Read More
  12. [질문] 6EM7앰프의 시험판입니다미비한 점에 대한 많은 지적을 file

    Date2006.09.17 By김태선 Views1177
    Read More
  13. [자작기] A,C, Peee S217D 트랜스프리 file

    Date2006.09.16 ByDMT845 Views2417
    Read More
  14. No Image

    [제작정보] 국내 하이앤드 차량용 진공관 앰프 독일 수출 길 열려

    Date2006.09.15 By조현범 Views1488
    Read More
  15. No Image

    [질문] 트랜스 수리가 가능한지요?

    Date2006.09.15 By박준철 Views1285
    Read More
  16. No Image

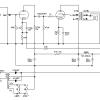
    [질문] 서병익선생님 -211회로도- file

    Date2006.09.14 By박우철 Views1837
    Read More
  17. No Image

    [답변] [e] 서병익선생님

    Date2006.09.15 By박우철 Views867
    Read More
  18. No Image

    [답변] [e] 서병익선생님 -211회로도-

    Date2006.09.14 By서병익 Views1251
    Read More
  19. No Image

    [질문] 211자작파워 질문 드립니다

    Date2006.09.09 By박우철 Views1006
    Read More
  20. [질문] 마란츠7 B 톤콘트롤 부분의 콘덴서 용량 문의 file

    Date2006.09.08 By素心 Views1564
    Read More
  21. No Image

    [질문] 진공관 앰프 전원부 문의 드립니다

    Date2006.09.06 By윤문태 Views897
    Read More
  22. No Image

    [기타] 패러피드용 출력트랜스의 선택

    Date2006.09.01 By윤영진 Views1418
    Read More
  23. No Image

    [제작정보] 이 사이트 좀 대충

    Date2006.08.30 By이상필 Views1234
    Read More
  24. No Image

    [질문] 패러피드 방식의 실효성에 대해서

    Date2006.08.27 By이상필 Views1367
    Read More
  25. [자작기] 새로 만든 프리 (2) file

    Date2006.08.25 By지성택 Views2867
    Read More
쓰기
Board Pagination Prev 1 ... 71 72 73 74 75 76 77 78 79 80 ... 94 Next
/ 94

로그인을 해주세요

  • Sign in with Naver
  • Sign in with Kakao
ID/PW찾기 회원가입
브라우저를 닫더라도 로그인이 계속 유지될 수 있습니다. 로그인 유지 기능을 사용할 경우 다음 접속부터는 로그인할 필요가 없습니다. 단, PC방, 학교, 도서관 등 공공장소에서 이용 시 개인정보가 유출될 수 있으니 꼭 로그아웃을 해주세요.

TOP 5

  • 오디오장터
  • 음반
  • 불용자재
  • 커뮤니티
  • 빈티지 저항
    1분 전
    04:45
  • 탕가 진공관 1조 웨스턴 콘덴서
    1시간 전
    03:00
  • 웨스턴 0.1mf 4개
    1시간 전
    03:00
  • 웨스턴 낚시타입 0.1mf 600v
    1시간 전
    02:59
  • 웨스턴 6v6pp 앰프 민트급
    1시간 전
    02:59
  • [3924]Harry Nilsson - A little touch of Schmilsson in the night
    18시간 전
    10:44
  • Art Garfunkel / Scissors Cut
    8시간 전
    20:40
  • CD 정리
    3시간 전
    01:10
  • [3922]Gladys Knight - u200bGladys Knight
    18시간 전
    10:33
  • The Dooleys / Hello Welcome!
    9시간 전
    19:16
  • LM2576S-5.0 P+
    9시간 전
    19:24
  • FASTECH Ezi-SERVO 스테핑 모터 드라이브 여러종 A51127
    10시간 전
    18:32
  • ( 장비가방 (PC 등)
    17시간 전
    10:53
  • MICRO WAVE FILTER FASTRAP 5KV-433.92....신품
    18시간 전
    10:34
  • 민웰 SMPS, EACO 캐패시터, Sanyo Denki 쿨링팬 A51225
    2025-12-26
    21:05
  • 올해도 고생하셔습니다 새해는 더건강하세요
    32분 전
    04:10
  • level up 하려면 어떻게 해야 하는지요> 1
    5시간 전
    23:14
  • 안데나 튜너 동영상
    10시간 전
    18:31
  • 2025년보내면서 ♡ 1
    17시간 전
    11:12
  • 한해를 보내면서 1
    2025-12-26
    23:50

진공관 부품-키트 주문

전화 02-998-4643
팩스 02-996-4643
영업시간
월~금 오후 12:30~오후7:00
토요일 오후 12:30~오후 5:00
일요일, 국경일 휴무입니다.
회사소개 제휴문의 이용약관 개인정보취급방침 이메일주소무단수집거부 구입안내 회원가입
상호명: 소리전자 | 대표전화: 02-998-4643
서울시 강북구 덕릉로 147-2 우이다온 601호.
영업시간 오전 12시 30분 ~ 오후 7시, 공휴일 휴무.
개인정보관리책임자 : 고상태(02-998-4643) 통신판매업신고 강북구 제0217호
E-mail : [email protected] 사업자등록번호 217-05-18554 이종호 호스팅:(주)블루웹
메뉴닫기
profile
로그인 해주세요.
자유게시판 내가쓴글 저장함 쪽지

전체 게시판

  • 판매장터
    • 수입오디오
    • 부품
    • 음반
    • 국산오디오
    • 업체전문인
    • 자작품
    • 계측기
    • 라디오
    • 전자종합
    • 벼룩종합
    • 햄무선기
    • 불용자재
    • 교환장터
    • 광고업체
    • 무료나눔
  • 부품판매
    • 트랜스포머
    • 노브(손잡이)
    • 자작부품-1
    • 자작부품-2
    • 자작부품-3
    • 전원용PCB
    • CCS-PCB
    • 키트용PCB
    • 볼륨용 PCB
    • 입력용 PCB
    • 고정가이드
    • 소켓가이드
    • CD로딩용기어
    • 케이블완제품
    • 윤활유클리너
    • 자작공구/은납
    • 딘케이블단자
    • 콘덴서 종류
    • 자작용계측기
    • 앰프케이스
  • 앰프키트
    • 소리전자 키트 종류
    • 소리전자 키트제작서
    • 소리전자 키트배선도
    • 소리전자 키트사용기
  • 주문구입
  • 커뮤니티
    • 자유게시판
    • 질문게시판
    • 가입인사
    • 통합 동호회
    • 자작게시판
    • 나의오디오
    • 플레이리스트
    • 미션관리
    • 공지사항
    • 출석부
  • 동호회
    • 알텍동호회
    • 피셔동호회
    • AR동호회
    • JBL동호회
    • 튜너동호회
    • 빈티지동호회
    • 마란츠동호회
    • 탄노이동호회
    • 도이치동호회
    • 웨스턴동호회
    • 매킨토시동호회
    • 아날로그동호회
    • 멀티앰핑동호회
  • 자료실
    • 웨스턴자료실
    • 전세계회로도
    • 소리전자트랜스규격
    • 부품위탁매물
    • 오디오위탁매물
    • 가격인하매물
닫기

마이페이지

로그인을 해주세요

  • Sign in with Naver
  • Sign in with Kakao
ID/PW찾기 회원가입
브라우저를 닫더라도 로그인이 계속 유지될 수 있습니다. 로그인 유지 기능을 사용할 경우 다음 접속부터는 로그인할 필요가 없습니다. 단, PC방, 학교, 도서관 등 공공장소에서 이용 시 개인정보가 유출될 수 있으니 꼭 로그아웃을 해주세요.