• 다크모드
  • 로그인
  • 회원가입
모바일메뉴

소리전자

검색
마이페이지
  • 판매장터
    • 수입오디오
    • 부품
    • 음반
    • 국산오디오
    • 업체전문인
    • 자작품
    • 계측기
    • 라디오
    • 전자종합
    • 벼룩종합
    • 햄무선기
    • 불용자재
    • 교환장터
    • 광고업체
    • 무료나눔
  • 부품판매
    • 트랜스포머
    • 노브(손잡이)
    • 자작부품-1
    • 자작부품-2
    • 자작부품-3
    • 전원용PCB
    • CCS-PCB
    • 키트용PCB
    • 볼륨용 PCB
    • 입력용 PCB
    • 고정가이드
    • 소켓가이드
    • CD로딩용기어
    • 케이블완제품
    • 윤활유클리너
    • 자작공구/은납
    • 딘케이블단자
    • 콘덴서 종류
    • 자작용계측기
    • 앰프케이스
  • 앰프키트
    • 소리전자 키트 종류
    • 소리전자 키트제작서
    • 소리전자 키트배선도
    • 소리전자 키트사용기
  • 주문구입
  • 커뮤니티
    • 자유게시판
    • 질문게시판
    • 가입인사
    • 통합 동호회
    • 자작게시판
    • 나의오디오
    • 플레이리스트
    • 미션관리
    • 공지사항
    • 출석부
  • 동호회
    • 알텍동호회
    • 피셔동호회
    • AR동호회
    • JBL동호회
    • 튜너동호회
    • 빈티지동호회
    • 마란츠동호회
    • 탄노이동호회
    • 도이치동호회
    • 웨스턴동호회
    • 매킨토시동호회
    • 아날로그동호회
    • 멀티앰핑동호회
  • 자료실
    • 웨스턴자료실
    • 전세계회로도
    • 소리전자트랜스규격
    • 부품위탁매물
    • 오디오위탁매물
    • 가격인하매물
자유게시판 질문게시판 가입인사 통합 동호회 자작게시판 나의오디오 플레이리스트 미션관리 공지사항 출석부
  • 커뮤니티
    • 자유게시판
    • 질문게시판
    • 가입인사
    • 통합 동호회
    • 자작게시판
    • 나의오디오
    • 플레이리스트
    • 미션관리
    • 공지사항
    • 출석부
Home 커뮤니티 자작게시판
T기본글꼴
  • 기본글꼴✔
  • 나눔고딕✔
  • 맑은고딕✔
  • 돋움✔
질문
2006.09.19 15:12

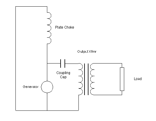
파라피드 회로에서 의 역할은

이상필
(*.57.90.14) 조회 수 1142 추천 수 0 댓글 2
?

단축키

Prev이전 문서

Next다음 문서

가 크게 작게 위로 아래로 댓글로 가기 인쇄 첨부
?

단축키

Prev이전 문서

Next다음 문서

가 크게 작게 위로 아래로 댓글로 가기 인쇄 첨부
무엇일까요?
0

추천

0

비추천

Atachment
첨부 '1'
  • para_gen.gif,
Facebook Twitter Google Pinterest
위로 아래로 댓글로 가기 인쇄 첨부
에디터 선택하기
✔ 텍스트 모드 ✔ 에디터 모드
?
댓글 쓰기 권한이 없습니다. 로그인 하시겠습니까?
Comments '2'
  • ?
    정호윤 2006.09.19 21:44 (*.51.84.100)
    신호원을 표시한것으로 출력관을 의미합니다.
    댓글
  • ?
    이상필 2006.09.19 23:22 (*.57.90.14)
    으허허~ 그렇군요. 요즘 내가 망신살이 뻣쳤다니까...^^;;
    댓글

  • 전체
  • 부품정보
  • 질문
  • 답변
  • 자작기
  • 기타
  • 긴급질문
  • 추가질문
  • 제작정보
  • List
  • Zine
  • Gallery
List of Articles
번호 분류 제목 글쓴이 날짜 조회 수
공지 기타 자작게시판 공지사항 소리전자 2004.02.17 13014
2334 자작기 쇠쟁이는 쇠로만 만드는지 알았쥬~ 6 file 노상식 2025.12.24 69
2333 자작기 6BQ5(싱글 스테레오 )실패작 앰프 11 file 오진숙 2025.12.23 81
2332 질문 에나멜 코일 구입처 5 메모리 2025.12.21 70
2331 자작기 811 파워 2 leeyph 2025.12.21 49
2330 제작정보 진공관 앰프 철망덥게 제작 하는곳. 3 땡그랑 2025.12.09 101
2329 부품정보 접지 유무 하트선 중성선 간편하게 확인 file 노상식 2025.12.09 69
2328 기타 자작 민식이 2025.12.02 90
2327 제작정보 노하우 아닌 노하우 실리콘 고무링 벨트 만들기 4 file 노상식 2025.12.02 79
2326 자작기 11월의 빈티지/6L6WGB 앰프제작 중.. 8 file 오진숙 2025.11.29 103
2325 부품정보 USB를 광 출력으로... 2 file 노상식 2025.11.26 105
2324 자작기 이럴수가 3 file 노상식 2025.11.20 164
2323 자작기 간만에 굴려 봅니다. 6 file 이승후 2025.11.18 124
2322 자작기 앰프 완성 후 청음중 6 file 노상식 2025.10.31 9074
2321 질문 dc볼트 20 file 노상식 2025.10.22 1725
2320 자작기 난감합니다 10 file 노상식 2025.10.21 1831
2319 자작기 전원트랜스와 출력트랜스 위치 및 방향 5 leeyph 2025.10.17 4718
2318 자작기 히터선 유도험 방지법 6 leeyph 2025.10.17 2942
2317 자작기 6L6 싱글 앰프 제작중~~ 12 file 노상식 2025.10.14 11294
2316 자작기 턴테이블에 관심 있으신 분 봐보세요 12 file 노상식 2025.09.30 7518
2315 질문 트랜스 제작 관련 질문 드립니다.~~ 꼭 많은 답변 부탁드립니다. 10 서무범 2025.09.17 8915
2314 자작기 부품 배치도 6 file 노상식 2025.09.08 4782
2313 자작기 복권 트렌스 9 file 노상식 2025.09.01 9728
2312 질문 정류 안정성 문의 2 file 김만태 2025.08.20 3910
2311 자작기 자작이란? 4 leeyph 2025.08.18 5008
2310 질문 초단 관 시정수 3 민식이 2025.08.10 4335
쓰기
Board Pagination Prev 1 2 3 4 5 6 7 8 9 10 ... 94 Next
/ 94

로그인을 해주세요

  • Sign in with Naver
  • Sign in with Kakao
ID/PW찾기 회원가입
브라우저를 닫더라도 로그인이 계속 유지될 수 있습니다. 로그인 유지 기능을 사용할 경우 다음 접속부터는 로그인할 필요가 없습니다. 단, PC방, 학교, 도서관 등 공공장소에서 이용 시 개인정보가 유출될 수 있으니 꼭 로그아웃을 해주세요.

TOP 5

  • 오디오장터
  • 음반
  • 불용자재
  • 커뮤니티
  • 탕가 진공관 1조 웨스턴 콘덴서
    1시간 전
    03:00
  • 웨스턴 0.1mf 4개
    1시간 전
    03:00
  • 웨스턴 낚시타입 0.1mf 600v
    1시간 전
    02:59
  • 웨스턴 6v6pp 앰프 민트급
    1시간 전
    02:59
  • 마란츠 twenty four 튜너 프리
    1시간 전
    02:59
  • [3924]Harry Nilsson - A little touch of Schmilsson in the night
    17시간 전
    10:44
  • Art Garfunkel / Scissors Cut
    8시간 전
    20:40
  • CD 정리
    3시간 전
    01:10
  • [3922]Gladys Knight - u200bGladys Knight
    18시간 전
    10:33
  • The Dooleys / Hello Welcome!
    9시간 전
    19:16
  • LM2576S-5.0 P+
    9시간 전
    19:24
  • FASTECH Ezi-SERVO 스테핑 모터 드라이브 여러종 A51127
    10시간 전
    18:32
  • ( 장비가방 (PC 등)
    17시간 전
    10:53
  • MICRO WAVE FILTER FASTRAP 5KV-433.92....신품
    18시간 전
    10:34
  • 민웰 SMPS, EACO 캐패시터, Sanyo Denki 쿨링팬 A51225
    2025-12-26
    21:05
  • 올해도 고생하셔습니다 새해는 더건강하세요
    32분 전
    04:10
  • level up 하려면 어떻게 해야 하는지요> 1
    5시간 전
    23:14
  • 안데나 튜너 동영상
    10시간 전
    18:31
  • 2025년보내면서 ♡ 1
    17시간 전
    11:12
  • 한해를 보내면서 1
    2025-12-26
    23:50

진공관 부품-키트 주문

전화 02-998-4643
팩스 02-996-4643
영업시간
월~금 오후 12:30~오후7:00
토요일 오후 12:30~오후 5:00
일요일, 국경일 휴무입니다.
회사소개 제휴문의 이용약관 개인정보취급방침 이메일주소무단수집거부 구입안내 회원가입
상호명: 소리전자 | 대표전화: 02-998-4643
서울시 강북구 덕릉로 147-2 우이다온 601호.
영업시간 오전 12시 30분 ~ 오후 7시, 공휴일 휴무.
개인정보관리책임자 : 고상태(02-998-4643) 통신판매업신고 강북구 제0217호
E-mail : [email protected] 사업자등록번호 217-05-18554 이종호 호스팅:(주)블루웹
메뉴닫기
profile
로그인 해주세요.
자유게시판 내가쓴글 저장함 쪽지

전체 게시판

  • 판매장터
    • 수입오디오
    • 부품
    • 음반
    • 국산오디오
    • 업체전문인
    • 자작품
    • 계측기
    • 라디오
    • 전자종합
    • 벼룩종합
    • 햄무선기
    • 불용자재
    • 교환장터
    • 광고업체
    • 무료나눔
  • 부품판매
    • 트랜스포머
    • 노브(손잡이)
    • 자작부품-1
    • 자작부품-2
    • 자작부품-3
    • 전원용PCB
    • CCS-PCB
    • 키트용PCB
    • 볼륨용 PCB
    • 입력용 PCB
    • 고정가이드
    • 소켓가이드
    • CD로딩용기어
    • 케이블완제품
    • 윤활유클리너
    • 자작공구/은납
    • 딘케이블단자
    • 콘덴서 종류
    • 자작용계측기
    • 앰프케이스
  • 앰프키트
    • 소리전자 키트 종류
    • 소리전자 키트제작서
    • 소리전자 키트배선도
    • 소리전자 키트사용기
  • 주문구입
  • 커뮤니티
    • 자유게시판
    • 질문게시판
    • 가입인사
    • 통합 동호회
    • 자작게시판
    • 나의오디오
    • 플레이리스트
    • 미션관리
    • 공지사항
    • 출석부
  • 동호회
    • 알텍동호회
    • 피셔동호회
    • AR동호회
    • JBL동호회
    • 튜너동호회
    • 빈티지동호회
    • 마란츠동호회
    • 탄노이동호회
    • 도이치동호회
    • 웨스턴동호회
    • 매킨토시동호회
    • 아날로그동호회
    • 멀티앰핑동호회
  • 자료실
    • 웨스턴자료실
    • 전세계회로도
    • 소리전자트랜스규격
    • 부품위탁매물
    • 오디오위탁매물
    • 가격인하매물
닫기

마이페이지

로그인을 해주세요

  • Sign in with Naver
  • Sign in with Kakao
ID/PW찾기 회원가입
브라우저를 닫더라도 로그인이 계속 유지될 수 있습니다. 로그인 유지 기능을 사용할 경우 다음 접속부터는 로그인할 필요가 없습니다. 단, PC방, 학교, 도서관 등 공공장소에서 이용 시 개인정보가 유출될 수 있으니 꼭 로그아웃을 해주세요.