• 다크모드
  • 로그인
  • 회원가입
모바일메뉴

소리전자

검색
마이페이지
  • 판매장터
    • 수입오디오
    • 부품
    • 음반
    • 국산오디오
    • 업체전문인
    • 자작품
    • 계측기
    • 라디오
    • 전자종합
    • 벼룩종합
    • 햄무선기
    • 불용자재
    • 교환장터
    • 광고업체
    • 무료나눔
  • 부품판매
    • 트랜스포머
    • 노브(손잡이)
    • 자작부품-1
    • 자작부품-2
    • 자작부품-3
    • 전원용PCB
    • CCS-PCB
    • 키트용PCB
    • 볼륨용 PCB
    • 입력용 PCB
    • 고정가이드
    • 소켓가이드
    • CD로딩용기어
    • 케이블완제품
    • 윤활유클리너
    • 자작공구/은납
    • 딘케이블단자
    • 콘덴서 종류
    • 자작용계측기
    • 앰프케이스
  • 앰프키트
    • 소리전자 키트 종류
    • 소리전자 키트제작서
    • 소리전자 키트배선도
    • 소리전자 키트사용기
  • 주문구입
  • 커뮤니티
    • 자유게시판
    • 질문게시판
    • 가입인사
    • 통합 동호회
    • 자작게시판
    • 나의오디오
    • 플레이리스트
    • 미션관리
    • 공지사항
    • 출석부
  • 동호회
    • 알텍동호회
    • 피셔동호회
    • AR동호회
    • JBL동호회
    • 튜너동호회
    • 빈티지동호회
    • 마란츠동호회
    • 탄노이동호회
    • 도이치동호회
    • 웨스턴동호회
    • 매킨토시동호회
    • 아날로그동호회
    • 멀티앰핑동호회
  • 자료실
    • 웨스턴자료실
    • 전세계회로도
    • 소리전자트랜스규격
    • 부품위탁매물
    • 오디오위탁매물
    • 가격인하매물
자유게시판 질문게시판 가입인사 통합 동호회 자작게시판 나의오디오 플레이리스트 미션관리 공지사항 출석부
  • 커뮤니티
    • 자유게시판
    • 질문게시판
    • 가입인사
    • 통합 동호회
    • 자작게시판
    • 나의오디오
    • 플레이리스트
    • 미션관리
    • 공지사항
    • 출석부
Home 커뮤니티 자작게시판
T기본글꼴
  • 기본글꼴✔
  • 나눔고딕✔
  • 맑은고딕✔
  • 돋움✔
질문
2004.02.03 01:00

전원부 급히 질문좀 드립니다

전황진
(*.88.190.187) 조회 수 2123 추천 수 0 댓글 5
?

단축키

Prev이전 문서

Next다음 문서

가 크게 작게 위로 아래로 댓글로 가기 인쇄 첨부
?

단축키

Prev이전 문서

Next다음 문서

가 크게 작게 위로 아래로 댓글로 가기 인쇄 첨부
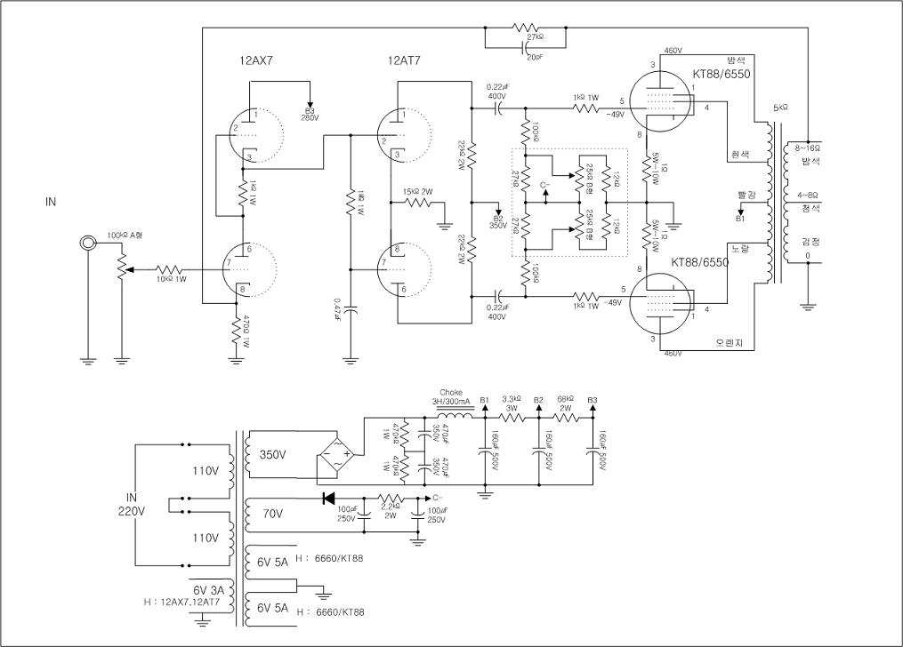
방금 6550 파워을 완성 하였는데 전원을 넣으면

퓨즈가 자꾸 나갑니다. 그래서 전원부만 남겨 두고 전부

전원을 뛰어 버리고 350V쪽 만 남겨 놨습니다 .(히터부,70V,전부 전원트랜스에서 연결을 끊음)

그런데 2.2k/3w 저항에 열이 무지 나더니 다시 퓨즈가 나가 버렸습니다.

전원부에도 전부 연결 댄것을 끊었고 평활 부만 남은 상태인데(부하 걸린것이 아무것도 없음)

전해 콘데서 용량이 커도 퓨즈가 나가는지  그리고  전해 콘덴서(samsung거)를

470m/350v --> 330m/450v,    160m/500v --->220m/500v로 교체 대서 그런지

여러가지 테스트를 해봤지만 (평활부에는 숏드 댄거도 없고 회로 만든것을 수십번 확인)

350V 전원에서 70v 평활부를 옴겨 봤더니 이상은 없는데 다시 350V로 옴기면 저항에

열이 무지 나내요. 전원부에 대하여 잘아시는 분은 답변좀 꼭 부탁드립니다.

부품은 모두 소리전자에서 구입..(트렌스.쵸크.기타 등등 케이스 빼고 전부)
0

추천

0

비추천

Atachment
첨부 '1'
  • 1.JPG,
Facebook Twitter Google Pinterest
위로 아래로 댓글로 가기 인쇄 첨부
에디터 선택하기
✔ 텍스트 모드 ✔ 에디터 모드
?
댓글 쓰기 권한이 없습니다. 로그인 하시겠습니까?
Comments '5'
  • ?
    신영설 2004.02.03 09:58 (*.207.206.153)
    부릿지 다이오드 결선 확인! 평활 콘덴서 +- 결선 확인 요망!! 도면상에선 이상이 없어 보입니다.
    댓글
  • ?
    정호윤 2004.02.03 10:19 (*.51.66.128)
    B전원라인에 2.2KR/3W가 어디있죠?
    댓글
  • ?
    변기표 2004.02.03 11:11 (*.222.247.98)
    C- 배선을 확인해 보셔요..어스가 된거나 아닌지..
    댓글
  • ?
    tgkang 2004.02.03 11:20 (*.193.194.3)
    고정 바이어스(-70V) 회로쪽이 의심이 감니다. (-70V) 회로의 다이오드 방향 확인, 콘덴서의 +쪽이 접지 되고 -70V가 나와야 합니다. 바이어스 전압은 -전압이 되어야 하는데, 초보자들은 가끔 +로 착각 할때가 있읍니다. 그리고 바이어스 전압(-70V)과 히터전압을 연결하지 않고, 350V(B전압)을 연결하면 진공관에 큰무리가 옵니다.
    댓글
  • ?
    이양수 2004.11.07 21:30 (*.250.219.58)
    회로가 졸리다앰프의 회로이네요 위상반전의 진공관인 12at7의 아래쪽(3극관의) 프레이트의 저항값이 22k가않이고 24k입니다 그리고 문제의 휴즈가 나가는것은 바이어스 전압회로의 콘덴서의 극성이 바뀌어서 그런것같읍니다 않이면 다이오드?
    댓글

  • 전체
  • 부품정보
  • 질문
  • 답변
  • 자작기
  • 기타
  • 긴급질문
  • 추가질문
  • 제작정보
  • List
  • Zine
  • Gallery
List of Articles
번호 분류 제목 글쓴이 날짜 조회 수
공지 기타 자작게시판 공지사항 소리전자 2004.02.17 13014
2334 자작기 쇠쟁이는 쇠로만 만드는지 알았쥬~ 6 file 노상식 2025.12.24 69
2333 자작기 6BQ5(싱글 스테레오 )실패작 앰프 11 file 오진숙 2025.12.23 81
2332 질문 에나멜 코일 구입처 5 메모리 2025.12.21 70
2331 자작기 811 파워 2 leeyph 2025.12.21 49
2330 제작정보 진공관 앰프 철망덥게 제작 하는곳. 3 땡그랑 2025.12.09 101
2329 부품정보 접지 유무 하트선 중성선 간편하게 확인 file 노상식 2025.12.09 69
2328 기타 자작 민식이 2025.12.02 90
2327 제작정보 노하우 아닌 노하우 실리콘 고무링 벨트 만들기 4 file 노상식 2025.12.02 79
2326 자작기 11월의 빈티지/6L6WGB 앰프제작 중.. 8 file 오진숙 2025.11.29 103
2325 부품정보 USB를 광 출력으로... 2 file 노상식 2025.11.26 105
2324 자작기 이럴수가 3 file 노상식 2025.11.20 164
2323 자작기 간만에 굴려 봅니다. 6 file 이승후 2025.11.18 124
2322 자작기 앰프 완성 후 청음중 6 file 노상식 2025.10.31 9074
2321 질문 dc볼트 20 file 노상식 2025.10.22 1725
2320 자작기 난감합니다 10 file 노상식 2025.10.21 1831
2319 자작기 전원트랜스와 출력트랜스 위치 및 방향 5 leeyph 2025.10.17 4718
2318 자작기 히터선 유도험 방지법 6 leeyph 2025.10.17 2942
2317 자작기 6L6 싱글 앰프 제작중~~ 12 file 노상식 2025.10.14 11294
2316 자작기 턴테이블에 관심 있으신 분 봐보세요 12 file 노상식 2025.09.30 7518
2315 질문 트랜스 제작 관련 질문 드립니다.~~ 꼭 많은 답변 부탁드립니다. 10 서무범 2025.09.17 8915
2314 자작기 부품 배치도 6 file 노상식 2025.09.08 4782
2313 자작기 복권 트렌스 9 file 노상식 2025.09.01 9728
2312 질문 정류 안정성 문의 2 file 김만태 2025.08.20 3910
2311 자작기 자작이란? 4 leeyph 2025.08.18 5008
2310 질문 초단 관 시정수 3 민식이 2025.08.10 4335
쓰기
Board Pagination Prev 1 2 3 4 5 6 7 8 9 10 ... 94 Next
/ 94

로그인을 해주세요

  • Sign in with Naver
  • Sign in with Kakao
ID/PW찾기 회원가입
브라우저를 닫더라도 로그인이 계속 유지될 수 있습니다. 로그인 유지 기능을 사용할 경우 다음 접속부터는 로그인할 필요가 없습니다. 단, PC방, 학교, 도서관 등 공공장소에서 이용 시 개인정보가 유출될 수 있으니 꼭 로그아웃을 해주세요.

TOP 5

  • 오디오장터
  • 음반
  • 불용자재
  • 커뮤니티
  • 탕가 진공관 1조 웨스턴 콘덴서
    1시간 전
    03:00
  • 웨스턴 0.1mf 4개
    1시간 전
    03:00
  • 웨스턴 낚시타입 0.1mf 600v
    1시간 전
    02:59
  • 웨스턴 6v6pp 앰프 민트급
    1시간 전
    02:59
  • 마란츠 twenty four 튜너 프리
    1시간 전
    02:59
  • [3924]Harry Nilsson - A little touch of Schmilsson in the night
    17시간 전
    10:44
  • Art Garfunkel / Scissors Cut
    8시간 전
    20:40
  • CD 정리
    3시간 전
    01:10
  • [3922]Gladys Knight - u200bGladys Knight
    18시간 전
    10:33
  • The Dooleys / Hello Welcome!
    9시간 전
    19:16
  • LM2576S-5.0 P+
    9시간 전
    19:24
  • FASTECH Ezi-SERVO 스테핑 모터 드라이브 여러종 A51127
    10시간 전
    18:32
  • ( 장비가방 (PC 등)
    17시간 전
    10:53
  • MICRO WAVE FILTER FASTRAP 5KV-433.92....신품
    18시간 전
    10:34
  • 민웰 SMPS, EACO 캐패시터, Sanyo Denki 쿨링팬 A51225
    2025-12-26
    21:05
  • 올해도 고생하셔습니다 새해는 더건강하세요
    32분 전
    04:10
  • level up 하려면 어떻게 해야 하는지요> 1
    5시간 전
    23:14
  • 안데나 튜너 동영상
    10시간 전
    18:31
  • 2025년보내면서 ♡ 1
    17시간 전
    11:12
  • 한해를 보내면서 1
    2025-12-26
    23:50

진공관 부품-키트 주문

전화 02-998-4643
팩스 02-996-4643
영업시간
월~금 오후 12:30~오후7:00
토요일 오후 12:30~오후 5:00
일요일, 국경일 휴무입니다.
회사소개 제휴문의 이용약관 개인정보취급방침 이메일주소무단수집거부 구입안내 회원가입
상호명: 소리전자 | 대표전화: 02-998-4643
서울시 강북구 덕릉로 147-2 우이다온 601호.
영업시간 오전 12시 30분 ~ 오후 7시, 공휴일 휴무.
개인정보관리책임자 : 고상태(02-998-4643) 통신판매업신고 강북구 제0217호
E-mail : [email protected] 사업자등록번호 217-05-18554 이종호 호스팅:(주)블루웹
메뉴닫기
profile
로그인 해주세요.
자유게시판 내가쓴글 저장함 쪽지

전체 게시판

  • 판매장터
    • 수입오디오
    • 부품
    • 음반
    • 국산오디오
    • 업체전문인
    • 자작품
    • 계측기
    • 라디오
    • 전자종합
    • 벼룩종합
    • 햄무선기
    • 불용자재
    • 교환장터
    • 광고업체
    • 무료나눔
  • 부품판매
    • 트랜스포머
    • 노브(손잡이)
    • 자작부품-1
    • 자작부품-2
    • 자작부품-3
    • 전원용PCB
    • CCS-PCB
    • 키트용PCB
    • 볼륨용 PCB
    • 입력용 PCB
    • 고정가이드
    • 소켓가이드
    • CD로딩용기어
    • 케이블완제품
    • 윤활유클리너
    • 자작공구/은납
    • 딘케이블단자
    • 콘덴서 종류
    • 자작용계측기
    • 앰프케이스
  • 앰프키트
    • 소리전자 키트 종류
    • 소리전자 키트제작서
    • 소리전자 키트배선도
    • 소리전자 키트사용기
  • 주문구입
  • 커뮤니티
    • 자유게시판
    • 질문게시판
    • 가입인사
    • 통합 동호회
    • 자작게시판
    • 나의오디오
    • 플레이리스트
    • 미션관리
    • 공지사항
    • 출석부
  • 동호회
    • 알텍동호회
    • 피셔동호회
    • AR동호회
    • JBL동호회
    • 튜너동호회
    • 빈티지동호회
    • 마란츠동호회
    • 탄노이동호회
    • 도이치동호회
    • 웨스턴동호회
    • 매킨토시동호회
    • 아날로그동호회
    • 멀티앰핑동호회
  • 자료실
    • 웨스턴자료실
    • 전세계회로도
    • 소리전자트랜스규격
    • 부품위탁매물
    • 오디오위탁매물
    • 가격인하매물
닫기

마이페이지

로그인을 해주세요

  • Sign in with Naver
  • Sign in with Kakao
ID/PW찾기 회원가입
브라우저를 닫더라도 로그인이 계속 유지될 수 있습니다. 로그인 유지 기능을 사용할 경우 다음 접속부터는 로그인할 필요가 없습니다. 단, PC방, 학교, 도서관 등 공공장소에서 이용 시 개인정보가 유출될 수 있으니 꼭 로그아웃을 해주세요.