데이타 시트와 저의 앰프 결선이 맞지 않은것 같아 질문 드립니다
잘쓰던건데 최근 이상작동으로 열어보니 현 상태인데 제가 잘 이해하지 못한 부분이 있나 질문 드립니다
감사합니다

데이타 시트와 저의 앰프 결선이 맞지 않은것 같아 질문 드립니다
잘쓰던건데 최근 이상작동으로 열어보니 현 상태인데 제가 잘 이해하지 못한 부분이 있나 질문 드립니다
감사합니다

| 첨부 '2' |
|---|
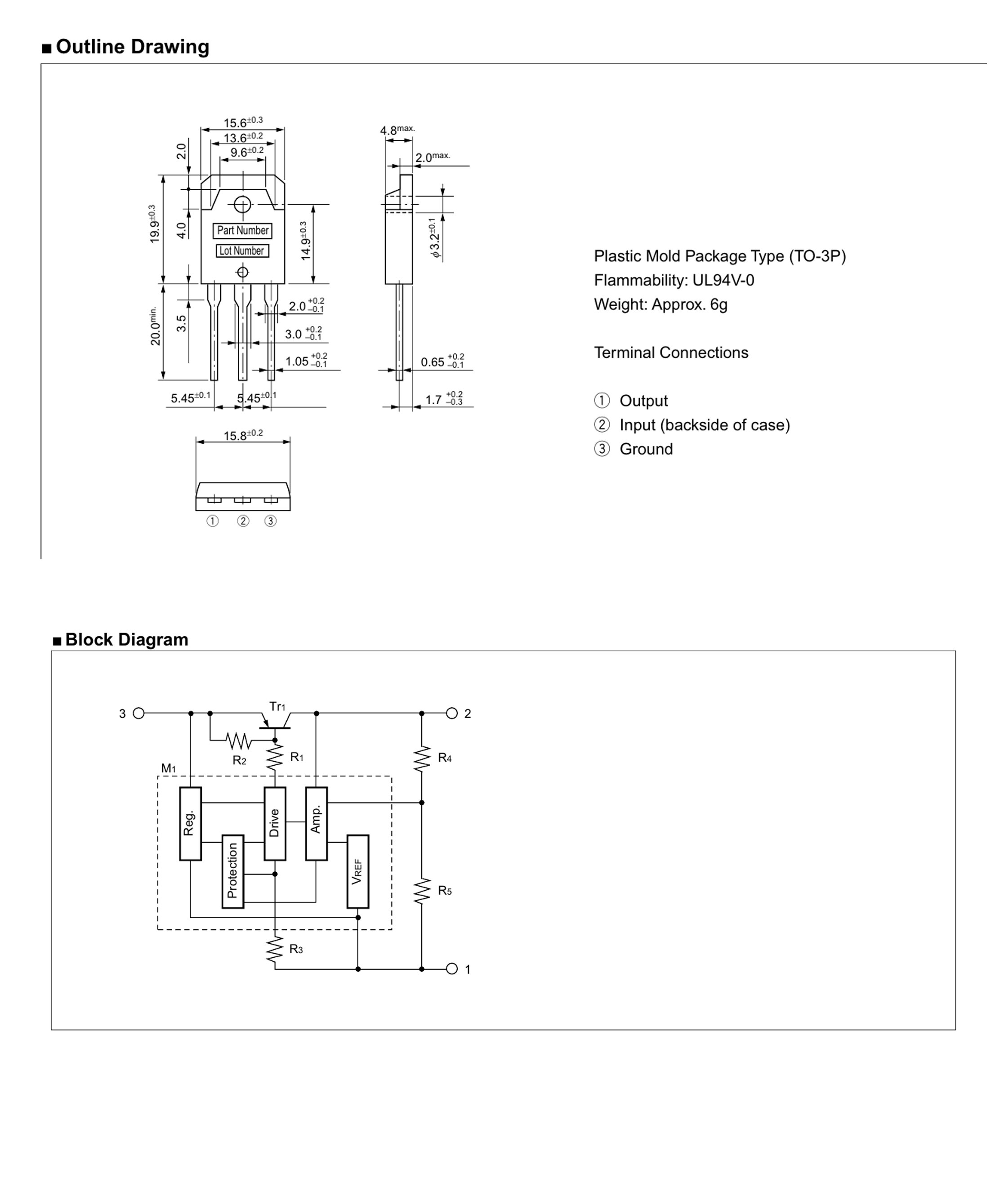
3052v의 설명서를 보시면 위에서 보았을때 왼쪽 부터 1번핀, 중간이 2번핀, 오른쪽이 3번핀입니다.
오른쪽 3번핀이 접지(-), 중간 2번핀이 입력이고 왼쪽 1번핀으로 전압이 나가는 구조입니다.
2번째 block 회로도는 3122v의 회로도입니다.
또 박사장님이 그린 회로도대로 3번 입력, 1번 접지, 2번 출력 으로 사용한 회로도도 있어요!
LM 317 이 이 방식으로 사용합니다.
7805 는 1번 입력, 2번 접지, 3번 출력으로 되어 있습니다.
| 번호 | 분류 | 제목 | 글쓴이 | 날짜 | 조회 수 |
|---|---|---|---|---|---|
| 공지 | ↓↓ | 오디오 질문게시판 공지사항 3 | 2003.03.14 | 23243 | |
| 11996 | 질문 |
파워앰프 볼륨 빼고 저항 대체
|
장종근 | 2025.12.25 | 78 |
| 11995 | 질문 | 빈티지진공관 베이스 5 | 뮤직타임 | 2025.12.25 | 90 |
| 11994 | 질문 |
진공관 앰프 정류관 급 구합니다
6 |
엘피갤러리 | 2025.12.22 | 223 |
| 11993 | 질문 |
자유게시판
3 |
leeyph | 2025.12.22 | 129 |
| 11992 | 질문 | 태광 a-90앰프에 대해 알고 싶습니다 2 | 드래곤태 | 2025.12.21 | 66 |
| 11991 | 기타 |
질문/답변게시판의 포인트 규정 변경(25년12월20일부터)
2 |
빨강양말 | 2025.12.20 | 59 |
| 11990 | 질문 |
캐소드 커패시터에 대한 질문
2 |
송경호 | 2025.12.19 | 74 |
| 11989 | 질문 |
질문--> 트랜스 몰딩용 아스콘 구입처... ?
11 |
오진숙 | 2025.12.16 | 112 |
| 11988 | 질문 |
소닉프론티어 인티 한쪽 채널 웅소리 문제
5 |
권준우 | 2025.12.15 | 98 |
| 11987 | 질문 | 진공관문의 3 | 연강 | 2025.12.14 | 102 |
| 11986 | 질문 | 컴프레션 드라이버와 혼 장착을 위해, 에어실을 막기 위한 가스켓! 20 | abixpro | 2025.12.12 | 91 |
| 11985 | 질문 |
입문자, 도와주세요 ㅠㅠ 데논dp-29f + 에디파이어 mr4 소리가 턴...
6 |
허입 | 2025.12.12 | 61 |
| 11984 | 질문 | 게시물 수정 2 | 유성 | 2025.12.11 | 64 |
| 11983 | 질문 |
소니dat 녹음기 녹음이 안되는데요.
8 |
온누리 | 2025.12.08 | 91 |
| 11982 | 질문 | 등업 조건 4 | 범블비 | 2025.12.06 | 59 |
| 11981 | 긴급질문 | 라인셀렉터 퍽 노이즈 해결방법은 5 | chuewoon | 2025.12.03 | 88 |
| 11980 | 질문 | 16mm영사기 1 | 권동섭 | 2025.12.01 | 65 |
| 11979 | 질문 |
진공관앰프
3 |
driveryu | 2025.12.01 | 133 |
| 11978 | 질문 |
야마하 리시버 IC문의
9 |
온누리 | 2025.11.28 | 85 |
| 11977 | 질문 |
온쿄 AV 리시버 TX-SR502 볼륨
8 |
한중식 | 2025.11.24 | 78 |